C2B1B-500Kg-C3,日本NMB Minebea稱重傳感器C2B1B-500Kg-C3

英文名稱:日本NMB稱重傳感器,日本Minebea稱重傳感器
中文名稱:日本美蓓亞稱重傳感器
產品型號:C2B1B-500Kg-C3稱重傳感器
產品價格:在線詢價
產品特點:
l 懸臂梁稱重傳感器
l 全不銹鋼材質,耐環(huán)境性出色
l 通過OIML R60 C3級 認證
l 全密封結構,密封性好
l 精度高,穩(wěn)定性好、易安裝
l 通過與搖臂銷(自動調芯功能)組合,可進行高精度測量
l 量程可選:200Kg,250Kg,500Kg,1t,2t
l 應用:地磅,桶槽秤,罐秤和料斗秤等
日本NMB C2B1B-500Kg-C3產品技術參數:
|
量程 |
200Kg,250Kg,500Kg,1t,2t |
零點輸出 |
±0.02mV/V |
|
額定輸出 |
2.0mV/V±0.002mV/V (200Kg:1.6mV/V±0.002mV/V) |
非線性 |
0.025%R.O. |
|
滯后 |
0.025%R.O. |
溫度范圍 |
-20℃~80℃ |
|
重復性 |
0.025%R.O. |
溫度補償范圍 |
-10℃~70℃ |
|
零點溫漂 |
0.05%R.O./20min |
材質 |
不銹鋼 |
|
滿程溫漂 |
0.02%LOAD/10℃ |
絕緣阻抗 |
≥2000MΩ(50V DC) |
|
輸入阻抗 |
380Ω-460Ω |
輸出阻抗 |
345Ω±355Ω |
|
推薦激勵電壓 |
≤12V DC/AC |
最大激勵電壓 |
20V DC/AC |
|
安全載荷 |
150% |
最大載荷 |
200% |
|
防護等級 |
IP68 |
蠕變 |
0.03%R.O. |
|
導線顏色 |
紅(+E) 黑(-E) 綠(+S) 白(-S) |
||
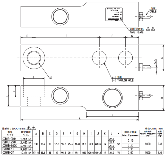
日本NMB C2B1B-500Kg-C3產品尺寸圖:

日本NMB C2B1B系列完整型號可選:
C2B1B-200Kg-C3稱重傳感器
C2B1B-250Kg-C3稱重傳感器
C2B1B-500Kg-C3稱重傳感器
C2B1B-1T-C3稱重傳感器
C2B1B-2T-C3稱重傳感器
其他品牌懸臂梁式稱重傳感器型號推薦:
上一篇:
Minebea C1W1M-15T-S01稱重傳感器,日本NMB C1W1M-15T-S01傳感器 下一篇:C2D1-300K,C2D1-300K稱重傳感器,日本NMB Minebea C2D1-300K傳感器
版權所有:廣州洋奕電子科技有限公司 Copyright© 2012-2018 粵ICP備15043380號
:020-81969785
:020-81214035
:15017597317
:廣州市荔灣區(qū)中山八路5號隆城大廈