日本NMB Minebea LCB-L-1KN,LCB-L-1KN稱重傳感器

英文名稱:日本NMB稱重傳感器,日本Minebea稱重傳感器
中文名稱:日本美蓓亞稱重傳感器
產品型號:LCB-L-1KN稱重傳感器
產品價格:在線詢價
產品特點:
l 輪輻式稱重傳感器
l 材質:合金鋼
l 量程可選:500N,1KN,2KN
l 適用于料倉科,試驗機,壓力測量等過程稱重設備
日本NMB LCB-L-1KN產品技術參數:
|
量程 |
500N,1KN,2KN |
安全載荷 |
150% |
|
額定輸出 |
2.0mV/V±1% |
非線性 |
0.05%R.O. |
|
滯后 |
0.05%R.O. |
溫度范圍 |
-20℃~80℃ |
|
重復性 |
0.05%R.O. |
溫度補償范圍 |
-10℃~70℃ |
|
零點溫漂 |
0.01%R.O./20min |
線纜長度 |
3m |
|
滿程溫漂 |
0.01%LOAD/10℃ |
絕緣阻抗 |
≥2000MΩ(50V DC) |
|
輸入阻抗 |
350Ω±5Ω |
輸出阻抗 |
350Ω±5Ω |
|
推薦激勵電壓 |
≤12V DC/AC |
最大激勵電壓 |
20V DC/AC |
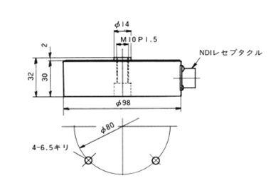
日本NMB LCB-L-1KN產品尺寸圖:

日本NMB LCB所有量程可選:
LCB-L-500N稱重測力傳感器
LCB-L-1KN稱重測力傳感器
LCB-L-2KN稱重測力傳感器
其它熱銷品牌型號產品推薦:
上一篇:
日本NMB CMM1-1T,日本Minebea CMM1-1T稱重傳感器 下一篇:日本NMB LSM-5K-B稱重傳感器,Minebea傳感器LSM-5K-B
版權所有:廣州洋奕電子科技有限公司 Copyright© 2012-2018 粵ICP備15043380號
:020-81969785
:020-81214035
:15017597317
:廣州市荔灣區(qū)中山八路5號隆城大廈