RLCSP1-25000lb,美國RICE LAKE RLCSP1-25000lb稱重傳感器

產品品牌:美國RICE LAKE
產品名稱:RLCSP1-25000lb,美國RICE LAKE RLCSP1-25000lb稱重傳感器
產品產地:美國
產品特性:
l 材質/表面處理:不銹鋼材質
l 滿量程輸出:2.0mv/v
l 高可靠性,高耐用性和極高的精確度
l 防護等級:IP67,封密
l 量程范圍:25000lb,50000Lb,100000Lb,200000Lb
l 車輛和過程應用而設計
美國RICE LAKE RLCSP1-25000lb稱重傳感器參數圖:
|
Full Scale Output |
額定輸出 |
2.0 mV/V |
|
Bridge Resistance |
輸出電阻 |
480 ohms |
|
Material/Finish |
材質 |
合金鋼 |
|
Temperature |
溫度 |
14°F to 104°F/-10°C to 40°C |
|
Safe Overload |
安全過載 |
150% |
|
Rated Excitation |
推薦激勵電壓 |
10V DC(15V最大) |
|
Combined Error |
綜合誤差 |
±0.03% |
|
Non-repeatability |
不可重復性 |
±0.01% |
|
Insulation Resistance |
絕緣電阻 |
5000 ohms |
|
Deflection at Capacity |
量程 |
25000lb,50000Lb,100000Lb,200000Lb |
|
Seal Type |
密封形式 |
密封,IP67 |
|
Cable Length |
電纜長度 |
10.7m |
|
Cable Color Code |
導線顏色 |
Green (+激勵)、Black(-激勵)、White (+信號)、Red (-信號) |
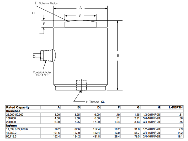
美國RICE LAKE RLCSP1-25000lb稱重傳感器尺寸圖:

美國RICE LAKE RLCSP1系列其它量程型號推薦:
RLCSP1-25000Lb稱重傳感器
RLCSP1-50000Lb稱重傳感器
RLCSP1-100000Lb稱重傳感器
RLCSP1-200000Lb稱重傳感器
其它熱門品牌型號推薦如下:
上一篇:
RLBLC-5Klb傳感器,美國RICE LAKE RLBLC-5Klb稱重傳感器 下一篇:RLETB-1000kg,美國RICE LAKE RLETB-1000kg稱重傳感器
版權所有:廣州洋奕電子科技有限公司 Copyright© 2012-2018 粵ICP備15043380號
:020-81969785
:020-81214035
:15017597317
:廣州市荔灣區(qū)中山八路5號隆城大廈